Hit Enter to Search
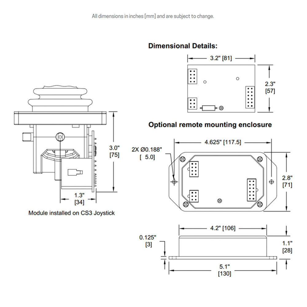
ESS408 CAN Interface Board
ESS408 CAN Interface Board
ESS408 CAN Interface Board
ESS408 CAN Interface Board

ESS408 CAN Interface Board

Interface module board that can be configured to CANopen, J1939 or basic CAN protocols.

Inquire now
  • Designed to be mounted directly to the CS3 joystick with the connectors wrapped around the body for the most common configuration, but will mount on and interface with any joystick that can generate a 0 to 5 volt pot or 0.5 to 4.5 volt Hall effect command signal.

  • It can also be remote mounted near the command source if space restrictions are an issue. A flash memory is provided to configure the protocol to standard CAN protocol or modified for specific customer's needs.

  • Joystick mounted for simple installation.

  • 2 Analog and 3 digital inputs for direct connection to joystick functions.

  • 2 Additional analog inputs for joystick handle twist or thumbwheels.

  • 5 Additional digital inputs for handle or control panel push buttons.

  • 2 Digital outputs for indicator lights or alarms.

  • Factory Flash programmed with baud rate and node ID.

  • Custom protocols programmed on request (consult factory)