Designed to adapt and excel in virtually any equipment application, the Merritt Evolve model joystick offers unprecedented levels of customization. Available with a J1939, CANOpen, or hall-effect output, the Evolve can be configured to a broad range of machinery and operations.
Inquire nowSingle or dual-axis operation
Smooth spring return action with light, medium or heavy tension
Contactless 3D hall effect technology
CANBus output with J1939 or CANOpen
Configurable with a wide range of handles
Sleek design with canister on the bottom
Drop-in mounting for easy installation
| General Data | |
| # of Axis | Single, Dual or Three (Third axis is achieved via a twist handle function or thumbwheel.) |
| Output Options | CANOpen and J1939, Hall-Effect, Redundant, Redundant Reversed (Available in late 2023) |
| Joystick Action | Spring Return |
| Operator Presence Switch | Handle Travel |
| Handle Travel | +/- 20 degrees each axis |
| Gate | Open or Cross |
| Handle Compatibility | XG1, FG-4, RH, BH, RHS, G58, MG27 (Custom handles available upon request.) |
| Life | 20 million plus cycles |
| Est. Shipping Weight | 3 lbs |
| Est. Shipping Dimensions | 13 in. x 10 in. x 8 in. |
| Mounting Data | |
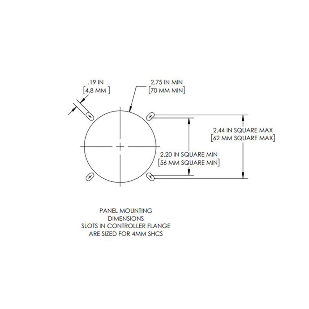
| Mounting Style | Drop-in |
| Mounting Footprint | 3.5 in. x 3.5 in. Drop-in mount |
| Additional Specifications | Reference product literature for additional mounting specifications |
| Environmental Data | |
| IP Rating | IP54 (IP Rating dependent on the handle device chosen.) |
| Operating Temperature | -40 to +140 F [-40 to +60 C] |
| Storage Temperature | -40 to +176 F [-40 to +80 C] |
| Applications |
| The Merritt Evolve adapts to almost any mobile or industrial equipment application. Typical applications include: Agricultural machinery Off-highway mobile equipment Forestry equipment Mining machinery Oil and gas applications And more |
| Electrical Data | |
| Contact Specifications | Hall-Effect Specifications |
| Single 5V (Standard) | Supply Voltage: 4.5-5.5 VDC; Output Voltage: Ratiometric 0.5 - 2.5 - 4.5 V ±0.15 V @ 5.0 V Supply; Output Current: 10 mA; Power Consumption: 7 mA typical (5 - 10 mA max) |
| 7-30 VDC | Supply Voltage: 7-30 VDC; Output Voltage: 0.5 - 2.5 - 4.5 V ±0.15 V |
| EMC Emissions | Complies with EN61000-6-4:2007; Class A Group 1, 80-1000 MHz |
| EMC Immunity | Complies with EN61000-6-2:2005 expanded to include RFI Immunity of 100 V/M at 80-1000 MHz and ESD Immunity of 15 kV air, 8 kV contact |
| CAN Specifications | |
| CANOpen | Standard 2 analog joystick inputs (X/Y); Up to 14 digital inputs; Up to 4 digital outputs; Up to 8 additional analog inputs (replacing digital inputs) |
| J1939 | Standard 2 analog joystick inputs (X/Y); Up to 14 digital inputs; Up to 4 digital outputs; Up to 8 additional analog inputs (replacing digital inputs) |